YWK-100壓力控制器
發布時間:2013-06-26 02:11:03 點擊:947

產品詳細:
簡介:
YWK-100壓力控制器采用波紋管式傳感器,可用于空氣、蒸汽等中性氣體和水、制冷劑、油等液體介質,控制器設定值可調,調節范圍0~2MPa,YWK-100壓力控制器殼體采用鑄鋁,為防水型。
主要技術性能:
規格:切換差不可調(單刀雙擲微動開關)

規格:切換差可調(單刀雙擲微動開關)

規格:切換差可調(雙斷點橋微動開關)

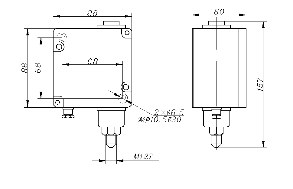
尺寸圖

下一篇:502/7D壓力控制器
下一篇:502/7D壓力控制器