500/11D壓力控制器
發布時間:2013-05-11 03:28:17 點擊:1042
產品詳細:
簡介:
500/11D壓力控制器采用膜片式傳感器,可用于空氣、煤氣等中性氣體和水、液壓油、潤滑油、輕燃油等液體介質。500/11D壓力控制器的設定值可調,調節范圍0~25KPa。
特點:
500/11D壓力控制器能適用于非常低的壓力控制。
主要技術性能:
規格:500/8D壓力控制器切換差不可調
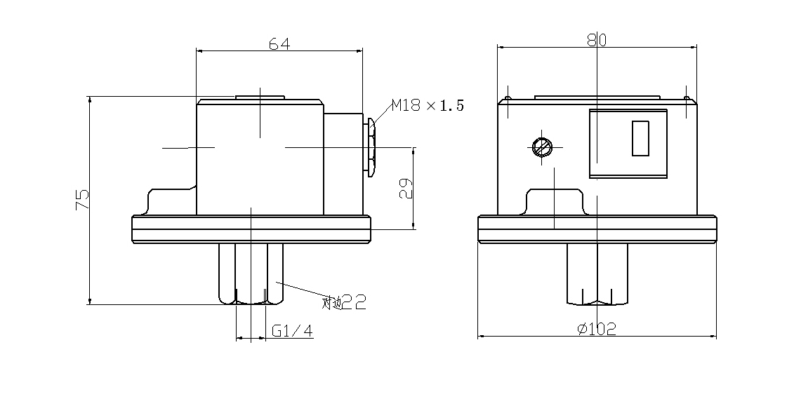
尺寸圖
下一篇:501/7D壓力控制器
簡介:
500/11D壓力控制器采用膜片式傳感器,可用于空氣、煤氣等中性氣體和水、液壓油、潤滑油、輕燃油等液體介質。500/11D壓力控制器的設定值可調,調節范圍0~25KPa。
特點:
500/11D壓力控制器能適用于非常低的壓力控制。
主要技術性能:
規格:500/8D壓力控制器切換差不可調
尺寸圖
下一篇:501/7D壓力控制器